其实做施工也会有看不懂建筑符号的人群,看似很不合理,毕竟看不懂符号几乎就是搞定不了各种平面图纸。

图纸都看不懂就更不要说是进行施工了,所以说看懂建筑符号是施工的根本!那么应该怎么去看懂建筑符号呢?
这里分享一波最全清单,收藏起来每天跟着做,绝对是收获满满,特别还不会看建筑图纸的小伙伴必须进行收藏。
一、工程符号大全
1 板 B
2 屋面板 WB
3 空心板 KB
4 槽行板 CB
5 折板 ZB
6 密肋板 MB
7 楼梯板 TB
8 盖板或沟盖板 GB
9 挡雨板或檐口板 YB
10 吊车安全走道板 DB
11 墙板 QB
12 天沟板 TGB
13 梁 L
14 屋面梁 WL
15 吊车梁 DL
16 单轨吊 DDL
17 轨道连接 DGL
18 车挡 CD
19 圈梁 QL
20 过梁 GL
21 连系梁 LL
22 基础梁 JL
23 楼梯梁 TL
24 框架梁 KL
25 框支梁 KZL
26 屋面框架梁 WKL
27 檩条 LT
28 屋架 WJ
29 托架 TJ
30 天窗架 CJ
31 框架 KJ
32 刚架 GJ
33 支架 ZJ
34 柱 Z
35 框架柱 KZ
36 构造柱 GZ
37 承台 CT
38 设备基础 SJ
39 桩 ZH
40 挡土墙 DQ
41 地沟 DG
42 柱间支撑 DC
43 垂直支撑 ZC
44 水平支撑 SC
45 梯 T
46 雨篷 YP
47 阳台 YT
48 梁垫 LD
49 预埋件 M
50 天窗端壁 TD
51 钢筋网 W
52 钢筋骨架 G
53 基础 J
54 暗柱 AZ
ps:以上设计图,均来自“迅捷CAD图库”,百万设计图无水印下载,下载直接复制就能进行使用。
二、地形图例符号
三、常用面积图例
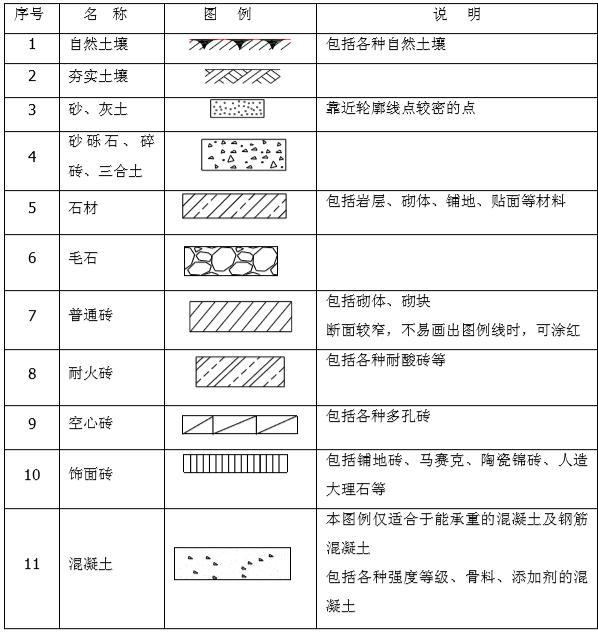
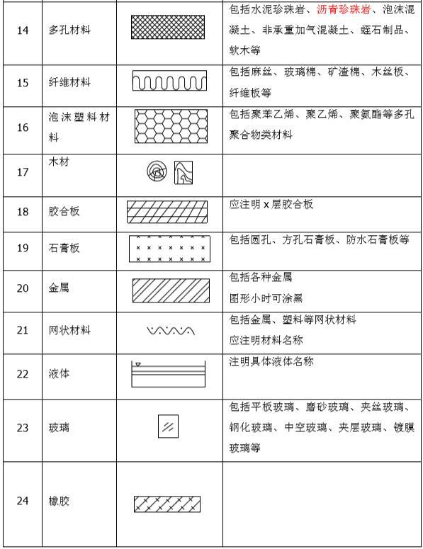
四、常用建筑材料图例
五、常用建筑构配件图例
六、常用水平以及垂直运输装置图例
以上就是如何看懂建筑符号的方法了!技巧已经分享给你了,接下来就是实践了,赶紧的行动起来吧。








































