▎导读:
随着社会对环境保护的意识不断加强,国家法规的愈来愈严格,当今车型与后处理系统新更新速度也越来越快,靠经验维修的方式也越来越难以适应行业的发展。本文介绍一个不能按以往经验维修的博世6.5尿素泵的维修案例。

车型:江淮骏铃H330
发动机:HFC4DE1-1D
配置信息:配博世EDC17C81 博世6.5尿素泵
故障现象:不烧尿素、发动机限扭
故障码:见下图
▎故障分析:
当前故障影响烧尿素的是P20A0 ,属于在SCR系统自检时出现了尿素泵电路相关故障,自检未过SCR系统停止工作,报出故障。激活了发动机扭矩限制并报出了第4故障。
▎排除步骤:
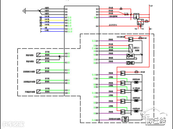
1、根据博世6.5尿素泵针脚定义,测量尿素泵线束5、6针回流泵的供电与PWM信号电压,针脚无电压,怀疑线束问题。
2、但测量时发现一个异常现象,泵电机供电也无没有。开关一次钥匙门,再测量有12V电压,但紧接着电压就变没了。
按我们维修经验尿素泵的供电在ECU上电后是长电状态的,为什么这个车的泵供电时有时无。查询电路图发现博世EDC17C81与我们常修的EDC17CV44 在泵的线束部分是不一样的。
由图可知ECU继电器吸合之后,控制SCR主继电器吸合,泵电机和回流泵才供电。
打开钥匙ECU通过泵的PWM控制端,监测供电是否正常,完成自检后,SCR主继电器断开。泵电机供电的测量先有后无是正常现象。但回流泵的供电一直没有,判断是线路故障。
3、用执行器测试功能,将SCR主继电器保持吸合状态,测量泵电机供电正常,测量回流泵供电无。
4、快速验证故障点,将原车线束剪断直接飞线到回流泵供电端。着车当完成自检后,故障码 P20A0变成历史故障。
5、让司机试车完成三个驾驶循环后,SCR系统工作正常,限扭解除。
▎故障总结:
通过此案例可以看到,通常尿素泵的供电,在ECU上电后是长电状态,而此车SCR系统供电,是ECU通过监测泵的PWM控制端供电是否正常来控制的。所以按以往维修经验可能会走弯路,还需要有对电路的过硬基础及专业的诊断设备方可百战不殆。
本文特约作者:车匠在线
关注卡车之家,网聚卡车人的力量












