目前市场上的PC电源以ATX架构产品为主力,这点是毫无疑问的,之前我们也通过超能课堂文章《超能课堂(158):怎样的电源才可以称之为ATX电源?》给大家简单介绍了ATX电源的相关知识。不过除了ATX电源外,目前市场上还有另外一种PC电源,虽然面向的是小众市场,但玩家对这种电源的关注度确丝毫不亚于ATX电源,那就是SFX电源。

从左到右分别是SFX、SFX-L、ATX电源
与ATX电源类似,SFX电源也有着属于自己的设计规范,而且同样是由英特尔来进行制定。那么怎么样的电源可以称之为SFX电源呢?SFX电源与ATX电源又有什么不同之处呢?今天我们就来简单梳理一下。
什么是SFX电源?
在英特尔制定的电源设计规范中,除了ATX12V规范外,我们还可以看到有SFX12V的规范,而且就版本号而言,SFX12V的规范可是要比ATX12V的更高,在10年前ATX12V 2.31规范确定的时候,SFX12V规范就已经去到3.21版本,去年ATX12V 2.52版规范发布之时,SFX12V 3.42版规范也同时发布,从这里可以看出SFX电源设计规范的更新频率几乎与ATX电源设计规范是同步的,甚至可能更高一些。
标准SFX电源
按照英特尔的设计规范,能称之为“SFX电源”的产品,都必须符合以下三个条件:
- 电源尺寸符合SFX规范要求
- 拥有+12V/+5V/+3.3V/-12V/+5VSB五路输出,其中+12V为主要供电
- 电气性能符合英特尔电源设计规范要求
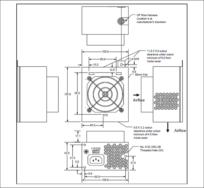
标准SFX电源尺寸
与ATX电源相对统一的尺寸要求不同,在英特尔的电源设计规范中,SFX电源的尺寸是分为三种的规格的,第一种是最常见的尺寸,长度为100mm,宽度为125mm,高度为63.5mm,是目前SFX电源的主流尺寸,因此也叫作标准SFX电源尺寸;第二种是矮版SFX电源尺寸,长度和宽度与标准SFX电源相同,但是高度只有50mm;第三种则叫做PS3规格SFX电源尺寸,长度为101.4mm,宽度为150mm,高度为86mm,实际上就是标准ATX电源的缩短版。第二种与第三种尺寸的SFX电源一般有特殊需求时才会使用,PC领域里基本都以标准SFX电源尺寸作为产品开发规范。
10年前的SFX电源有独立的电气性能要求,现在已经和ATX电源统一要求
而在电气性能方面,SFX电源由于受到体积上的限制,早期产品多以中低功率型产品为主,在10年前与ATX12V 2.31规范同步推出的SFX12V 3.21规范中,我们还可以看到英特尔针对SFX电源是有相应的输出电流要求的。以额定功率300W为例,其要求电源+12V1的额定电流为11A,+12V2的额定电流为8A,+5V与+3.3V的额定电流为15A和21A,-12V为0.3A,+5V待机则为2A,其中+12V2和+5V待机还有峰值电流的要求,分别是13A和2.5A。
而同期的300W额定功率ATX电源的电流输出要求是,+12V1的额定电流为11A,+12V2的额定电流为8A,+5V与+3.3V的额定电流为15A和21A,-12V为0.3A,+5V待机则为2.5A,其中+12V1、+12V2和+5V待机有峰值电流的要求,分别是13A、13A和3A,从规格上看那个时候的SFX电源在电气性能的要求上相比同时期的ATX电源要宽松一些,至少在峰值电流上没有作出太高的硬性需求。
现在SFX电源的输出参数要求与ATX电源已经基本相同
而现在ATX12V 2.52与SFX12V 3.42规范都已经确定,我们可以看到两者在设计规范上都有了一个相同的趋势,那就是真正两者独占要求,现在就只剩下尺寸了,电气性能的要求已经得到了统一,被英特尔独立出来,作为所有英特尔电源设计规范下开发的电源产品的通用要求,SFX电源并没有因为自己个子较小而获得放宽规范的待遇。
而关于详细的电源电气性能要求,大家可以自行查阅英特尔最新的电源设计规范,由于项目较多,这次暂且不提,后面我们会找机会给大家科普相关的内容。
什么是SFX-L电源?这是一个业界规范吗?
随着电源架构的优化以及电子元器件性能的提升,现在SFX电源的额定功率已经从原来的中低瓦数提升到了中高瓦数级别,高端型产品已经可以实现600W以上的额定功率,最高可以达到750W的水平,考虑到SFX电源多数面向的紧凑型迷你平台,即便是高性能的小钢炮,这也已经能满足绝大部分平台的需求。
SFX电源已经可以做到750W额定功率并通过80Plus铂金认证
但由于SFX电源的内部空间终归不如ATX那么大,在电子元件以及电源架构出现革命性变化之前,想要在SFX电源上作出更高功率的产品,难度是越来越大了。因此也有一种SFX电源,是像加长型ATX电源那样,通过增加自己的长度,来换取更多的元器件安装空间与散热空间,以此实现更高的额定功率。而这种加长型的SFX电源,市场上一般称之为SFX-L电源。
SFX-L这个规格实际上并不存在于英特尔的电源设计规范中,因此它和加长型ATX电源一样,原则上是没有长度上限的。然而SFX电源本身面向的就是小型平台或者迷你平台,长度越长太长兼容性就会越差,有不少给予SFX电源设计的机箱,根本就没有留出太多的空间给SFX-L电源使用,因此SFX-L电源的长度一般会控制在130mm左右,也就是从顶面看会更接近于一个正方形。
相比长方形的SFX电源,SFX-L电源更接近于正方形
不过SFX-L电源终归不是标准产品,虽然曾经颇有规模地在市场上推广了一段时间,期间也不乏让人眼前一亮的产品,例如银欣的SX800-LTI,一款额定功率达到800W的80Plus钛金认证产品,但是由于产品性价比与玩家接受度等因素,SFX-L电源的市场环境一直不算理想,而随着额定功率更高的标准SFX电源诞生,SFX-L电源的定位就越加尴尬,反而沦为了更小众的产品。
SFX电源能取代ATX电源吗?
那么,既然现在SFX电源已经有中高功率型的产品,这是否就意味着,我们可以用SFX电源来取代ATX电源呢?原则上说是可以的,但实际操作难度很大,首先SFX电源在考虑到小型平台中走线的难度,其线材大都是比较短的,难以满足标准ATX平台的走线需求,其次由于SFX电源内部空间有限,要满足其散热效能,风扇转速一般都控制在较高的水平,噪音表现上相比ATX电源多少会处于劣势。
线材长度制约了SFX电源的应用空间
此外高功率型SFX电源对电源厂商的技术要求比较高,要做一款性能优秀的高功率型SFX电源难度就更大了,这就意味着产品的售价往往并不亲民,相比之下ATX电源的性能与价格之间比例会更容易控制,用户的选择也会更多,因此除非是确实受空间的限制,不然一般来说ATX电源仍然是常规状态下的首选,高性能、高功率的SFX电源有他的市场,有存在必要,但并不能完全取代ATX电源。









