对于混迹军迷圈多年的老军迷而言,蝎式冲锋枪/蝎子冲锋枪/蝎子/Vz.61一定不是一款令人陌生的武器,相反,这款看似朴素无华的冲锋枪,实际上是一款极为精巧的武器,甚至成为了捷克轻武器的代表作品之一。此外,这款冲锋枪的设计师,还是一位货真价实的博士,这么高的学历,在枪械设计师中,还是相当罕见的。

△ 蝎式冲锋枪是漫威电影中,冬兵的专属冲锋枪
蝎子的传奇史
蝎式冲锋枪的故事,还要从1958年说起。那一年,捷克斯洛伐克共和国的内政部,突然脑洞大开,打算开发一支的“特殊用途”冲锋枪,用于装备执法部门和安全部队。很快,说干就干的内政部就提出了他们对“特殊用途”冲锋枪的设计要求:采用7.65mm勃朗宁手枪弹(即.32ACP手枪弹);重量在1-1.2kg;折叠枪托后全枪长250mm;展开枪托后全枪长440mm;高度为150mm;有效射程100m;要求能够同时使用8-10发弹容量以及20-25发弹容量的弹匣;具有多种发射模式,以便冲锋枪能够像手枪一样使用;
△ 7.65mm勃朗宁手枪弹与9mm巴弹,可见两个弹差异不小
在今天看来,这份“设计要求清单”最大的败笔,无疑是7.65mm勃朗宁手枪弹,原因很简单,7.65mm勃朗宁手枪弹的性能并不优秀,威力严重不足。但是,内政部实际上也“没得选”——当时捷克斯洛伐克的安全部队,已经将7.65mm勃朗宁手枪弹作为制式枪弹。为了装备统一,内政部选用7.65mm勃朗宁手枪弹,也成了不得已之下的选择。
△ 当时捷克斯洛伐克军队正在采用的制式手枪—Vz.50,这款枪就使用7.65mm勃朗宁手枪弹
博士设计师的任务
上个世纪50年代前半叶,随着国有产业的集中化,捷克斯诺伐克共产党决定建立一个大型专业研发中心,以满足国家武装和安全部队的需求。研发中心最初名为Konstrukta Brno,以所在城市的名称布尔诺(Brno)命名。当时,研发中心招募了全国最优秀的工程师,专门研发反坦克无后坐力武器,以及30mm及以下口径的枪炮弹药。当时的保密条例规定,内政部不得擅自和研发中心合作开发枪械,而是必须先将计划提交需求给国防部过目,再由国防部提交给研发中心进行研发。因此,蝎式冲锋枪的订单实际上是由国防部交到研发中心手中的。捷克国防部的专家对内政部的“特殊用途”冲锋枪计划进行了深入的讨论,最终批准了这份需求,并且决定让捷克斯洛伐克国民军也使用这种武器。最初,军方只采购了几支冲锋枪给他们的情报单位用于实验,而他们的反馈以及建议,都对最终版本的蝎子产生了巨大的影响。不久,国防部下令研发“特种冲锋枪”(或者称为“多用途冲锋枪”)的命令被送到布尔诺武器研发中心。然而,当时研发中心的人都很忙——所有的高级工程师在忙于完成其他项目,比如Vz.59通用机枪以及大名鼎鼎的Vz.58突击步枪。不得已,研发中心只好将研发新冲的任务分给了Ing. Miroslav Rybář (后文简称Rybář)。
△ Vz.58突击步枪,也有人叫它Vz.58冲锋枪
△ 设计师Rybář的肖像
Ing. Miroslav Rybář是一个才华横溢的设计师,无论是军事领域还是民用领域,他均具有过硬的专业素质。1948年以来,Rybář一直在参与枪支制造,但在研发蝎式冲锋之前,他只是一个普通的“打工仔”,在别人的团队中“打下手”,蝎式冲锋枪是他的第一个个人项目。此外,Rybář的博士论文也是关于蝎式冲锋枪的,并于1958年在布尔诺的军事技术学院成功发表。
△ 1959年诞生的S-59原型枪,原型枪中没有安装减速器
当然,尽管Rybář是蝎式冲锋枪的主设计师,但他并不是一个人在奋斗,他的背后依然有一个多达13个工程师的伟大团队,团队中也是人才辈出,其中就包括了Otakar Galaš这位专门研发猎枪和狙击步枪的大佬,狩猎界鼎鼎大名的ZG-47步枪便是他发明的。Galaš在研发新冲锋枪的过程中负责制造消声器以及枪械配件,还解决了7.65mm勃朗宁手枪弹在25m到150m的精度问题。团队中还有另一位大佬,那就是Jiří Čermák——Vz.58突击步枪/冲锋枪的发明者,尽管他没有直接参与蝎式冲锋枪的开发,但是他确确实实给予了Rybář一些帮助。蝎式冲锋枪的原型枪于1959年诞生后,为了解决减小枪机太轻、射速过高的问题,Čermák以法国PM Chatellerault M1924/29的减速器为基础,建议在枪械上增加减速器,并将减速器从枪托搬运到握把中,Rybář听取了他的建议,并成功将更改后的减速器用到了蝎式冲锋枪上。
△ 另一位设计师Jiří Čermák,这颜值我舔爆
设计团队群英荟萃,一群年轻人其乐融融,在这样的良好的背景下,新型“特种冲锋枪”的研制进展非常迅速。从1959年2月到1961年的夏天,短短两年时间,新型“特种冲锋枪”就正式获得捷克斯洛伐克军队采用,被定型为“Samopal Vzor1961”,翻译过来就是1961年冲锋枪。蝎子的生产蝎式冲锋枪的主要参数都略微超过了内政部最初的要求。比如蝎式冲锋枪的最大重量超过了内政部的要求,超重了10g,折叠枪托的总长度超标了20mm,高度超出了17mm。当展开枪托时,蝎式冲锋枪的全枪长为522mm,而不是要求的440mm。毕竟,440mm的要求,在当时来看太不现实了。尽管蝎式冲锋枪“超长”了,许多用户还是觉得武器太短了。
△ 蝎式冲锋枪与沙漠之鹰手枪对比,可见蝎子有多么小
Vz.61的生产交给了捷克国营切斯卡·兹布罗约夫卡公司(CZUB)。一开始,工厂负责人对这个任务并不感冒——相较于Vz.58突击步枪/冲锋枪,Vz.61的加工更加麻烦,而且,内政部最开始只订购了12,000支枪,对工厂来说,这点产量根本不够塞牙缝的,说难听点,就是工厂在做赔钱买卖。然而,在工厂准备提出抗议之前,订单便被追加到了70,000支。蝎式冲锋枪的正式生产于1963年初开始,除了捷克斯诺伐克国防部订购外,外贸部也订购了一些枪用于出口。到1966年时,工厂大约生产了10,0000支蝎子,而后工厂便停止生产了几年。在经过一些技术调整后,蝎式冲锋枪的生产于1973年恢复。1973年后生产的蝎式冲锋枪外观比较容易辨别——它们表面涂有黑色烤漆。在1973年至1976年期间,工厂一共生产了大约55,000支冲锋枪,主要用于内政部以及出口。第三批次的蝎子于1978年开始生产,仅仅生产了一年。这批冲锋枪主要用于出口。当时工厂生产了大约45,000支蝎式,其中近30,000支枪出口到南斯拉夫,而南斯拉夫也通过谈判,顺便获得了蝎式冲锋枪的制造许可权。
△ 使用蝎式冲锋枪的捷克伞兵
1989年,世界局势发生了巨大变化。私有化后的国营切斯卡·兹布罗约夫卡公司(CZUB)为了吃饭,做出很多努力。为了开括市场,工厂四处推销7.65mm勃朗宁手枪弹的蝎式冲锋枪,十分积极地参加各种枪械展览。1992年至1994年,工厂又生产了一小批蝎子,这批蝎子的质量非常之好,然而这并没有什么卵用,因为1990时代,7.65mm勃朗宁手枪弹已经严重落伍。相传,天鹅在临死之前,会发出它这一生当中最凄美的叫声,这一批优质的蝎式冲锋枪,也成了捷克天鹅最后的绝唱。
△ 1989年经过技术革新后生产的蝎子被称作Vz.61 E
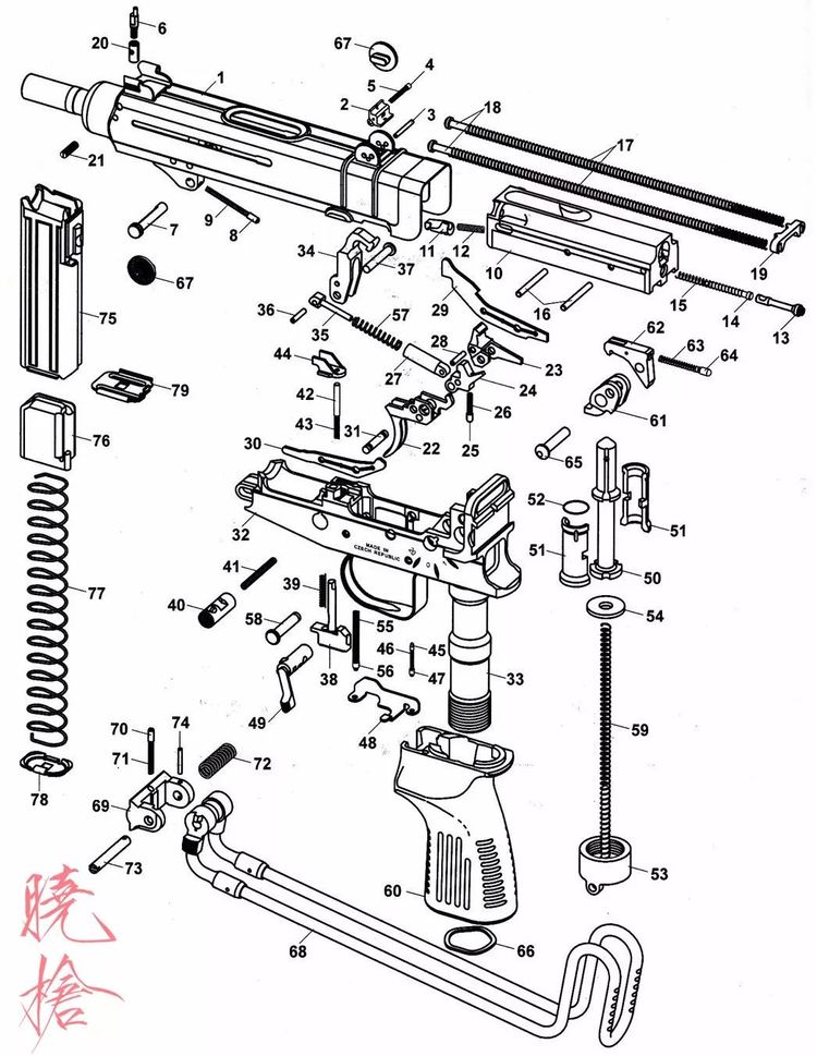
△ Vz.61的分解图
麻雀虽小,五脏俱全的Vz.61
虽然蝎式冲锋枪看起来小巧玲珑,但它毕竟是一款军用武器,经历了严格的性能和可靠性测试,并不像它看上去那么“软弱”。当然,从设计上来说,博士设计师Rybář也犯了点小错误,比如拉机柄容易丢失、击锤止动销容易脱落等。
△ Vz.61的纽扣形拉机柄,一边一个,射手要双手勾住拉机柄向后拉,当分解状态下,拉机柄可以被拉到最后方,从而取下,纽扣拉机柄有点容易丢失
Rybář和他的团队,以独特的形式将冲锋枪和手枪结合起来,从而创造出蝎式冲锋枪。蝎式冲锋枪采用自由枪机自动方式,弹匣位于扳机护圈前面,并且拥有一个可以折叠的枪托。全枪的最大亮点在于位于枪身握把内部的减速结构。当年,世界上已经诞生了各种各样的枪械减速机构,但是Rybář的减速器,无论在设计还是结构上,不仅简单而且极其可靠。Rybář和Jiří一起注册了减速器专利。除了减速器外,Rybář还为枪身上的一些结构注册了专利,比如枪托、扳机组、以及枪身外侧、看起来奇奇怪怪的小方块(实际上充当了簧、销限位)等。
△ 扳机上方的“补丁”,就是那个奇怪的小方块
枪托
蝎式冲锋枪的枪托采用极简设计,由一根粗钢丝弯折而成,取下枪托十分方便。折叠枪托的打开过程非常方便,射手只要用手往上拍一下枪托,枪托便在惯性以及弹簧的作用下向上翻折、自动展开。折叠枪托打开的动作像极了翘起尾巴的蝎子,这也是这支冲锋枪被称作“Skorpion(蝎子)”的原因。客观而言,蝎式冲锋枪的枪托的作用并没有想象中那么大,由于枪托不够长,抵肩瞄准时并不方便,所以射手更愿意将枪托叠起来,一只手握着弹匣,一只手握着握把射击。
△ 打开枪托的Vz.61
△ 被摘掉枪托的Vz.61
△ 打开枪托的过程
机匣和枪机
蝎式冲锋枪由上、下机匣组成,上、下机匣均由钢板冲压而成,易于生产。上机匣用于包裹枪机和枪管,柱型准星和照门也都位于上机匣。准星柱两侧有准星护翼,用来保护准星,避免意外碰撞或者跌落造成准星归零偏移。照门采用U型缺口照门,有两个档位,分别为75m和150m,照门通过翻转来实现改变档位。
△ 照门、准星和抛壳窗
蝎式冲锋枪的枪机为包络式枪机,拉机柄固定于枪机两侧,因此上机匣左右两端均有开槽,以让位拉机柄。不同于传统冲锋枪,蝎式冲锋枪的拉机柄非常有特点,采用了两块圆形金属片制成,长得像两个纽扣,金属片上刻有环形槽增大摩擦力,避免拉动时打滑。射手拉动拉机柄时,要用双手“捏”住两侧的拉机柄向后拉动。拉机柄随枪机运动时,射手的左手应该远离拉机柄,或者干脆握持住弹匣,避免拉机柄打手。为了保证枪支紧凑,抛壳口开在机匣上方,射击时,弹壳向上抛出,可用于防空(手动滑稽)。蝎式冲锋枪复进装置采用双复进簧结构,复进簧为单股簧,复进簧导杆兼做枪机导轨。
△ 蝎子的机匣
△ 蝎式冲锋枪射击时,弹壳向上抛出,可用于防空(手动滑稽)
发射机
咋一看,蝎式冲锋枪的发射机组很像AK47。我从《国外轻型步兵武器下》中找到这么一段话,直接引用过来:扳机连杆上有两个阻铁,第一阻铁为固定式,第二阻铁(单发阻铁)带有弹簧。击锤上相应地也有两个钩,朝前的为主钩,朝后的为辅钩。机匣左侧都有快慢机柄,可以用左手方便操作。当快慢机装定于半自动位置时,击发后枪机后座压倒击锤,击锤的辅钩与第二阻铁扣合。松开扳机,扳机连杆向前运动使第二阻铁解脱击锤,击锤的主钩随之又与第一阻铁相扣合。此时,枪便再次成待发状态,扣压扳机即可击发另一发枪弹。当快慢机装定于全自动射击位置时,快慢机轴使第二阻铁向后挂不住击锤,故击锤仅受不到位保险阻铁的控制,枪机复进到位便压倒不到位保险,使击锤解脱击发枪弹。快慢机柄有三个档位:“0”是保险,“1”是半自动射击,“20”为全自动射击。需要注意的是,保险档位于中间,半自动档在后方。当快慢机装定于保险位置时,可起到双重保险的作用:一是将扳机锁住,二是利用扳机连杆将枪机锁住。
△ Vz.61的半自动模式和全自动模式扳机运动图,Vz.61的发射机组像不像AK的紧凑版呢?
弹匣
蝎式冲锋枪的弹匣为双排双进弹匣,一般来说,冲锋枪的进弹行程较长,所以供弹坡较为平缓,所以即使采用双排双进,也不容易发生卡弹现象。弹匣的弹容量有两种,分别是10发弹容量的短弹匣和20发弹容量的长弹匣。蝎式冲锋枪有空仓挂机,但是没有空仓挂机解脱钮,最后一发枪弹发射后,托弹板上抬空仓挂机将枪机挂住,直到换上下一个弹匣后,射手拉动拉机柄向后,从而解脱空仓挂机。
△ Vz.61 20发弹容量的弹匣与10发弹匣(10发弹在枪上)
减速器
藏在木质握把中的减速器是全枪的精华,凭借这个减速器,蝎式冲锋枪硬生生将射速降低了200rpm,只剩下840rpm(一说是750rpm)左右,再加上.32ACP手枪弹本身就不大的后坐力,射手不抵肩时也能射击。蝎式冲锋枪的减速器设计非常巧妙,其工作原理为:减速机构发射枪弹后,枪机后退到位后会撞到并下压钩子,钩子转动将自动机尾部勾住,钩子在转动过程中通过杠杆结构将配重块往下压,配重块向下运动。配重块向下运动到位后在弹簧的作用下向上运动,直到撞击钩子,钩子松开枪机,枪机在复进簧作用下复进,推动下一发枪弹进入弹膛,就位待击。
△ Vz.61的减速器
△ Vector冲锋枪的减速器
对比一下就会发现,蝎式冲锋枪的自动机运动过程和维克多冲锋枪惊人地相似,不过两支枪的区别在于:维克多的自动机一开始就将自动机冲量转移到下方,而蝎式冲锋枪是等到枪机后坐到位后,才开始转移后坐冲量。说白了,维克多是为了转移冲量,而蝎式是为了降低射速。
△ 蝎子的后坐力很小,即使是女性射手,也可以托胸(划掉),不抵肩射击
进化的“蝎子”
对于7.65mm勃朗宁手枪弹的“尿性”,设计师Rybář心知肚明——这种枪弹的威力实在太小了,但是没办法,上级部门决定了要用这个“操蛋弹”,设计师就必须得用。当Vz.61研制完毕后,Rybář马上开始研制其他口径的版本,截止到1968年,他共开发出出三种口径的蝎子:使用9mm勃朗宁手枪弹的Vz.64、使用9mm马卡洛夫手枪弹的Vz.65和使用9mm卢格/巴拉贝鲁姆手枪弹的Vz.68。其中,Vz.64和Vz.68是为了潜在的国外市场而研发的,Vz.65则代表了捷克斯诺伐克第一次尝试使用新的苏联制式手枪弹,虽然苏联的马科洛夫手枪弹威力依然偏小了。然而,在原型枪研制出来后,三支枪就石沉大海,没有什么声音了。
△ Vz.64和Vz.68,两者都采用直弹匣
Rybář于1970年突发心脏病,最终心力衰竭去世,但是他留下紧凑型冲锋枪的理念仍然对研发中心的工作人员产生了深远的影响。70年代末80年代初,Čermák(Vz.58突击步枪/冲锋枪的发明者)研发出使用9mm 马卡洛夫手枪弹的Vz.82,与Vz.65相比,Vz.82主要加强了机匣和缓冲系统,能更好地承受9mm马卡洛夫手枪弹的高膛压。此外,相比于Vz.65,Vz.82枪管短了2mm,但机匣稍长一些,而且重量比Vz.65有所增加。90年代后,研发中心又重新开发了使用9mm卢格/巴拉贝鲁姆的Skorpion Evo2(注意它和后来的Skorpion Evo3不是一款枪啊),以开拓市场。但当时的市面上已经充斥着大量的MP5冲锋枪。
△ Vz.82冲锋枪蝎式冲锋枪参数卡
△ 如今,捷克新一代的冲锋枪(Skorpion Evo3)依然以蝎子命名,但它显然和老蝎子——Vz.61没啥关系了
结语
Vz.61蝎式冲锋枪是“小国造好枪”的典范。诸如捷克之类的欧洲小国,他们的国土面积不大,人口也不多,但往往能设计出超乎众人期待的优秀产品,比如二战前就大名鼎鼎的ZB-26轻机枪,以及张学良卫队才能用得起的ZH29半自动步枪。或许,正是先天资源的匮乏,才迫使捷克人走上了精益求精的道路,诞生了一大批诸如Vz.61蝎式冲锋枪的著名枪械。也许在服役期间,蝎式冲锋枪没有表现出多么出彩的性能,但是也没有出现过大的问题。正如“蝎子”的外号一般,在服役期间,Vz.61的像一支竖起尾巴的蝎子,与西方阵营针锋相对。华约阵营倒闭以后,蝎式并没有因此渐渐被退居幕后,而是依然发挥着余热,凭着它小巧的身材带来的便携性和隐蔽性,蝎式冲锋枪在许多战场上发挥了第二春。如今,已经快60岁的Vz.61蝎式冲锋枪,早成为了FPS游戏以及电影的一个大IP,在西方文化中,蝎式冲锋枪似乎成了“邪恶”、“冷酷”的符号,几乎每一部枪战电影中,反派都会使用蝎式冲锋枪,除了漫威的冬兵,著名电影《黑客帝国》中,主角尼奥手持两把蝎式在大堂中大杀特杀的情景成为了这部电影的名场面之一。只不过对于一款早该退役的老枪而言,以反派形象荧幕留名,到底是“老兵不死”幸运,还是“金鳞沦为池中物”不幸呢?
△ 黑客帝国中的蝎式冲锋枪(全文完)资料来源:《A legend named Skorpion》《国外轻型步兵武器下》WOG游戏
作者@馀迹
本文由《晓枪》编辑&发布



































