阙是中国古代建筑体系中极为重要的一种建筑形象,溯源于门。汉代石阙,简称汉阙,是汉代的一种纪念性建筑。它是我国现存的时代最早、保存最完整的古代地表建筑,距今已有近2000年的历史,堪称国宝级文物。汉阙有石质“汉书”之称,是我国古代建筑的“活化石”。

汉代石阙,简称汉阙,是汉代的一种纪念性建筑。它是我国现存的时代最早、保存最完整的古代地表建筑,距今已有近2000年的历史,堪称国宝级文物。汉阙有石质“汉书”之称,是我国古代建筑的“活化石”。
阙是中国古代建筑体系中极为重要的一种建筑形象,溯源于门。在中国古代建筑中,门的设立,最早始源于一种防卫上的需要,而阙则属于“宫门”的形制,即建在宫门或陵墓等建筑群前的左右对称的建筑物,两阙间空缺的地段为通向阙后建筑物的道路。其构造是中央无门扇,“阙”与“缺”相通,两阙之间为一通道,“阙然为道”,这也是其名称的由来。汉代的地面建筑,留存至今较为完整的只有阙。
阙,实际上是一种外大门而已,它和牌楼、牌坊的起源基本上是一样的,是古代帝王在宫廷大门之外,单独添加的两个对称的台子,台子上面有楼观,上圆而下方,两个台子之间要走路,做道路使用,所以称“阙然为道(规定此地作为道路的意思)”。
汉代是建阙的盛期,都城、宫殿、陵墓、祠庙、衙署、贵邸以及有一定地位的官民的墓地,都可按一定等级建阙。西汉长安城未央宫的东阙、北阙,建章宫的凤阙、圆阙,是历史上著名的大阙。传说凤阙高20余丈。这些巨阙除凤阙尚有夯土残址外,都已堙灭,现存的只是一些东汉或西晋的小型石造祠阙和墓阙,最高者不过6米。
汉阙有石质"汉书"之称,是我国古代建筑的"活化石"。汉阙由阙基、阙身、枋子层、介石、斗拱层、屋顶6个部分组成,是一座完整的石质仿木结构建筑。阙基为整块石料凿成,平面呈矩形。阙基之上矗立着用砂石做成的阙身,楼部由4层大石块叠就 。
建阙是汉朝建筑的一大特点,阙是塔楼状装饰性建筑,通常建于道路两旁,作为城市、宫殿、坛庙、官署、陵墓等入口的标志,已加强整个建筑群的隆重感。
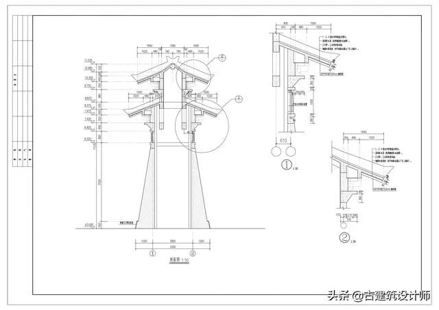
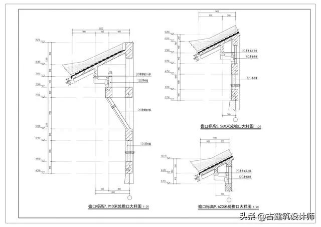
汉阙在中国建筑史上占有相当重要的地位。我国古代房屋从台基到顶盖的建筑式样至汉代已基本形成。汉阙作为石质建筑,却具有仿木结构的特点。在汉阙中已能见到仿制当时木结构建筑的台基、立柱、栏额、斗拱及顶盖结构,可见这些建筑结构在当时已趋于定型,这无疑为中国古代木结构建筑的进一步发展和完善奠定了坚实的基础。特别重要的是,大多数汉阙上还以正确的比例雕刻出当时木结构建筑中各种构件的外形,为我们研究和复原汉代木结构建筑提供了可靠的资料依据。汉阙的建筑结构从上到下可以分为阙顶、阙身、台基三部分。“阙顶”即屋顶,用石材雕刻出仿木的脊饰、瓦当、椽子等形状,具有极强的装饰性及对汉代木质建筑的模仿性。阙顶有单檐和重檐之分。“阙身”相当于房屋,由多层石材堆砌,形体多带有较大收分。在石材上雕刻出斗拱、栏杆及各种有代表性、颇具神韵的图像,具有很高的观赏价值,并刻出模仿木结构的栏额、立柱等,衬托着上面的楼阁显的高大、雄奇。“台基”代表中国古代建筑中常见的夯土台基。建阙的材料可用土、石、木材,实心的土阙和石阙不可登临,构筑比较简单。有时在两阙之间联以短檐,以强调其出入口的效果。整个石阙体量高大、沉雄,加上雕刻的建筑构件、传统图案形成了一个由建筑语言塑造的艺术符号。
1、阙基:重庆汉石阙中的乌杨阙、丁房阙、盘溪无铭阙、忠县无铭阙等都具有完整厚重的阙基,以乌杨阙为例,乌杨阙的底部有一块相当厚重的长方形整石作为阙基,用以承载整个乌杨阙的阙身,这样的构造可能就是模拟当时的汉代建筑的承重基础。再从乌杨阙的阙身和阙基的比例关系来看,建造者对基础的处理方式已经可以根据建筑物的功能需要和形态差别分别采取相应的形式,这也足以说明汉代建筑的承重体系一一一台基在当时已经发展的较为成熟。台基在中国古建筑中的作用是承托建筑物,防潮防腐,并将建筑物升高形成一个较为庄严、尊贵的心理空间。并被统治阶级利用作为等级身份及进行精神统治的一个重要标示。当然,阙基和台基也有一些材料上的区别,从发现的汉代建筑遗迹上看,汉代建筑的台基多为夯土夯实,外包花纹砖,而阙基却是用大块的石头而为。两者意相同、形有异!
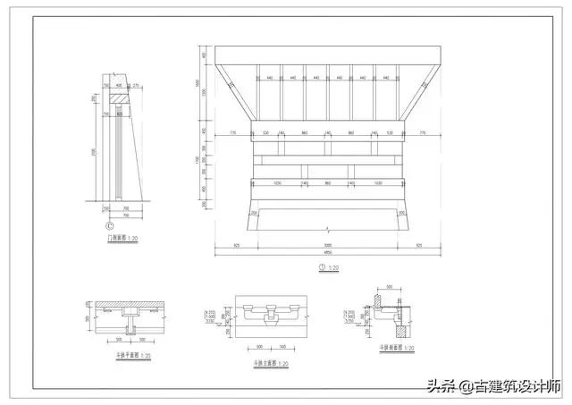
2、阙身:汉阙的主体部分是阙身,这相当于汉代建筑中(的屋身,屋身也是中国建筑的三大结构之一,一般包括柱、檩、梁、斗拱等这几个部分。所不同于屋身的就是汉阙的阙身高度极高,有通天之感,整个就是拉高了的屋身。这可能就是人们希望借助于这种附属建筑延伸主体建筑的高度,意寓权力和神威,让人产生敬畏之感,应该说阙本身除了有分割空间、界定空间的作用,也传达了拥有该建筑的主人的权威地位的意义作用.汉石阙的阙身的上部分都有一种近似的雕刻,从这个雕刻的形状以及位置都不难看出,这就是古代建筑中的斗拱。斗拱是中国传统木构架建筑中独有的构件,用于柱顶、额枋和屋檐或构架间,在我国古建筑中不仅在结构和装饰方面起着重要的作用,也是定制建筑各部分和各种构件的大小尺寸时的基本度量单位,无论在力学还是美学上都代表了整个中国古典建筑的设计精神。大约建于东汉建安时期的重庆盘溪的无铭阙,整个阙身高约3米,阙身的下部分的长方形碑状立柱体高约2米,阙身的上部分有厚重的石雕斗拱结构,四角均有力士顶着阙顶,相类似的还有重庆忠县的无铭阙,该阙身高约5.44米。这是一个由九块石料叠砌而成的建筑物,在三、六层角上分别镂刻着裸体力士,下为剽悍的男性、上为丰满女性,形态勇猛健美,弯腰屈膝,全身用力,在力士上下左右雕满了各种飞禽走兽。这体现了人们对于斗拱作用的理解,只是在石阙上把斗拱的作用拟人化了,这些都有力地证实了汉代建筑中的斗拱是一个重要的结构要素。从阙身的主体部分看,乌杨阙的阙身的主体部分质地为石质砂岩,主阙通高5.4米,进深1.7米,自下而上依次由脊饰、阙顶盖、上枋子层、扁石层、下枋子层、主阙体、阙基七部分构成。复原后的乌杨阙为重檐庑殿顶双子母石阙,具有顶盖出檐宽、阙体向上收分大、构造简洁的特点,因而显得造型格外挺拔、庄严。从它的阙体收分看,当时的汉代建筑为了增加建筑本身的稳定性,在基础墙体的处理上已有了收分的概念,这对于建筑来说是一个很好的增加稳定性的方法。
3、阙顶:屋顶是中国古建筑的三个结构中特点最明显变化最多的部分,有庑殿顶、歇山顶、悬山顶、硬山顶、攒尖顶、卷棚顶等之分。汉阙的阙顶也各有特征。重庆的乌杨阙、丁房阙、无铭阙等的阙顶均为仿木重檐庑殿顶的石刻,这种顶式就算是在清代所有殿顶中也算是最高等级的了,由此可见,汉代建筑的屋顶造型在历史上来说已非常完整,从阙顶多是重檐庑殿顶来看,阙在当时就是一种传递尊贵、权力的象征。作为庙祠阙的丁房阙,它的重檐屋顶两层之间由两层石块堆砌,四周皆有浮雕,左阙脊顶上还塑有一极大的圆形古刹,这表明了它独特的地理位置及作用,该石阙檐角平直,且出檐较窄小,符号特征明显,且是现今发现的石阙中最高的石阙(高6.26米),所以有可能该石阙旨在强调阙顶和阙身之间的协调性,突出其高度,以此来加大对庙祠的敬畏感及神秘感。而作为墓阙的乌杨阙它的重檐屋顶则是一块整石,其间只是以在整石中雕刻出的错落关系来示意两层顶的结构,顶盖出檐宽大、瓦垄、瓦当分明,檐角起翘明显,这在某种程度上强调了阙顶的装饰性。这几处汉石阙都有一个共同点,就是阙顶底部都有轮廓分明的椽子,椽子在中国古建筑中是指屋顶结构中设置在檩条上的木条,上面安放望板或直接铺设瓦片等屋面材料。例如,在乌杨阙的主阙阙顶的底部就有20条轮廓极为分明的椽,而子阙上也有8条椽,并且在椽的上方,也雕刻有写实的圆形瓦当,和明清时期的屋顶无异,这一切都体现出了当时的木质结构屋顶已经发展成熟,瓦当也在这个时候得到了普遍运用。



















