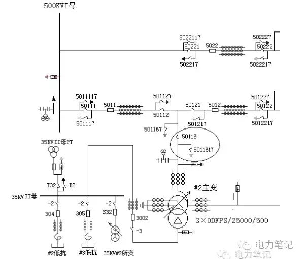
山东早期的500kV变电站中使用的是3/2断路器方式,从建设、扩建到现在,已经实现了最终规模,即四串完整断路器接线方式。由于变电站开始建设时,设计有线路、变压器单元的专用隔离开关,因此,在现在完整串的3/2断路器下,实现技术改造,以山东某站为例,将2号变压器取消专用隔离开关,同时取消相应的继电保护装置,使得系统可靠性、安全性大大加强。
专用隔离开关的作用:
由于3/2断路器接线方式下隔离开关仅作设备停电的隔离只之用,无需切换功能,所以仅需在每台断路器的两侧装设隔离开关。对于线路和变压器而言,是否设专用隔离开关。取决于3/2断路器的串数。如果只有2串,一般都设有专用的隔离开关。以便在1条线路检修时,只需要拉开线路隔离开关,而串上2台断路器可继续运行,以保证3/2断路器接线方式的完整性。

山东电网在1998年以后的超高压变电站中,已经不再设计专用隔离开关,特别是对于3串以上的接线,则大多不装设专用的隔离开关,这种情况下即使有一条线路、变压器检修,即其中的一串开断。运行中的2串仍能满足3/2断路器接线的各种优点。
装设专用隔离开关的问题需要装设短引线保护:
由于装设了专用隔离开关,根据继电保护要求,必须装设短引线保护。其主要作用是3/2断路器接线方式的短引线保护,也可以兼做线路的充电保护。保护范围见图1所示。短引线保护采用电流比率差动方式,线路充电保护由两段合电流过流保护构成。保护的出口正电源由线路隔离开关的辅助接点(或屏上的压板)与装置的启动元件共同开发,使保护的安全性得以提高,短引线保护范围
见下图
一个半断路器接线
1、一个半断路器接线,它是由两个元件(线路或发变组)引线用三台断路器接往两组母线组成一个半断路器接线,每一回路经一台断路器接至母线,两回路间设一联络断路器形成一串,又称二分之三接线方式。
2、一个半断路器接线,特别适宜于220KV以上的超高压、大容量系统中,但使用设备较多,特别是断路器和电流互感器,投资较大,二次控制回路接线和继电保护都比较复杂。
3、运行时,两组母线和同一串的断路器都投入工作,称为完整串运行,形成多环装供电,具有较高的供电可靠性和运行灵活性。任一母线、断路器故障或检修,均不致引起停电;甚至两组母线同时故障(或一组检修时另一组故障)的极端情况下,功率仍能继续输送。
4、运行方便,操作简单,隔离开关只在检修时作为隔离电器。该接线目前在大容量电厂中已被广泛采用。
一个半断路器接线方式保护使用
1、500kV系统联络变压器高、中压侧均应装设阻抗保护。保护可带两段时限,以较短的时限用于缩小故障影响范围;较长的时限用于断开变压器各侧断路器。
设置两套完整、独立的全线速动主保护;
2、两套主保护的交流电流、电压回路和直流电源彼此独立;
3、每一套主保护对全线路内发生的各种类型故障(包括单相接地、相间短路、两相接地、三相短路、非全相运行故障及转移故障等),均能无时限动作切除故障;
4、每套主保护应有独立选相功能,实现分相跳闸和三相跳闸;
5、断路器有两组跳闸线圈,每套主保护分别起动一组跳闸线圈;
6、两套主保护分别使用独立的远方信号传输设备。
若保护采用专用收发信机,其中至少有一个通道完全独立,另一个可与通信复用。如采用复用载波机,两套主保护应分别采用两台不同的载波机。
7、线路宜采用近后备方式。分相操作的断路器,可只考虑断路器单相拒动的情况。电力线载波纵联保护通道,应按以下原则设计:当线路上只装设一套载波纵联保护时,载波保护宜采用完全独立的载波通道。线路上配置二套载波纵联保护时,另一套载波保护可与通信复用一个通道。
8、根据一次系统过电压的要求装设过电压保护。
9、应装设能快速有选择地切除故障的母线保护。对1个半断路器接线,每 组母线宜装设两套单母线保护。
10、如断路器与电流互感器之间发生故障,不能由该回路主保护切除,而由其他线路和变压器后备保护切除又将扩大停电范围,并引起严重后果时。
11、1个半断路器接线方式的断路器失灵保护中,反映断路器动作状态的相电流判别元件宜分别检查每台断路器的电流,以判别那台断路器拒动。当一串中的中间断路器拒动时,则应采取使对侧断路器跳闸的措施,并闭锁重合闸。
12、对220~500kV的母线及变压器断路器,当非全相运行可能引起电力网中其他保护越级跳闸,因而造成严重事故时,应在该断路器上装设非全相运行保护
13、断路器失灵、线路过压、电抗器失灵及故障时,除跳开本侧两侧断路器、变压器多侧断路器,应通过判别保护远方跳对侧断路器。
14、1个半断路器接线方式的断路器失灵保护中,反映断路器动作状态的相电流判别元件宜分别检查每台断路器的电流,以判别那台断路器拒动。当一串中的中间断路器拒动时,则应采取使对侧断路器跳闸的措施,并闭锁重合闸。
线路变压器组(桥形)接线
线路变压器组(桥形)接线就是线路和变压器直接相连,是一种最简单的接线方式,其特点是设备少、投资省、操作简便、宜于扩建,但灵活性和可靠性低。
桥形接线:
桥形接线采用4个回路3台断路器和6个隔离开关,是接线中断路器数量较少、也是投资较省的一种接线方式。根据桥形断路器的位置又可分为内桥和外桥两种接线。由于变压器的可靠性远大于线路,因此中应用较多的为内桥接线。若为了在检修断路器时不影响和变压器的正常运行,有时在桥形外附设一组隔离开关,这就成了长期开环运行的四边形接线。
下图为例图
线路变压器组(桥形)接线的保护使用
单侧电源线路:
可装设一段或两段式电流电压速断保护和过电流保护。
由几段线路串联的单侧电源线路及分支线路,如上述保护不能满足速动性或灵敏性要求时,速断保护可无选择地动作,但应以自动重合闸来补救。此时,速断保护应躲开降压变压器低压母线的短路。
复杂网络的单回线路:
a.可装设一段或两段式电流电压速断保护和过电流保护,必要时,保护应具有方向性。如不满足选择性、灵敏性和速动性的要求或保护构成过于复杂时,宜采用距离保护。
b.电缆及架空短线路,如采用电流电压保护不满足选择性、灵敏性和速动性要求时,宜采用导引线或光纤通道等纵联保护作为主保护,以带方向或不带方向的电流保护作为后备保护。
c.对于环形网络,为了简化保护,可采用故障时先将网络自动解列而后恢复的方法。
如分支变压器低压侧有电源,还应对高压侧线路故障装设保护装置,并可采用下列保护方式:
a.方向电流保护或距离保护;
b.零序电流或零序电压保护分别用于中性点接地或不接地的分支变压器;
c.电压保护当分支侧为小电源时采用;
d.电力线载波纵联保护按第2.6.7.2条规定执行;
e.有解列点的小电源侧按无电源处理,不装设保护;
如分支变压器低压侧有电源,还应对高压侧线路故障装设保护装置,并可采用下列保护方式:
a.方向电流保护或距离保护;
b.零序电流或零序电压保护分别用于中性点接地或不接地的分支变压器;
c.电压保护当分支侧为小电源时采用;
d.电力线载波纵联保护按规定执行;
e.有解列点的小电源侧按无电源处理,不装设保护。
双母线带旁路接线
双母线带旁路接线就是在双母线接线的基础上,增设旁路母线。其特点是具有双母线接线的优点,当线路(主变压器)断路器检修时,仍有继续供电,但旁路的倒换操作比较复杂,增加了误操作的机会,也使保护及自动化系统复杂化,投资费用较大,一般为了节省断路器及设备间隔,当出线达到5个回路以上时,才增设专用的旁路断路器,出线少于5个回路时,则采用母联兼旁路或旁路兼母联的接线方式。
双母线分段带旁路接线
双母线分段带旁路接线就是在双母线带旁路接线的基础上,在母线上增设分段断路器,它具有双母线带旁路的优点,但投资费用较大,占用设备间隔较多。
一般采用此种接线的原则为:
1)当设备连接的进出线总数为12~16回时,在一组母线上设置分段断路器;
2)当设备连接的进出线总数为17回及以上时,在两组母线上设置分段断路器。
双母线接线
双母线接线就是将工作线、电源线和出线通过一台断路器和两组隔离开关连接到两组(一次/二次)母线上,且两组母线都是工作线,而每一回路都可通过母线联络断路器并列运行。与单母线相比,它的优点是供电可靠性大,可以轮流检修母线而不使供电中断,当一组母线故障时,只要将故障母线上的回路倒换到另一组母线,就可迅速恢复供电,另外还具有调度、扩建、检修方便的优点;其缺点是每一回路都增加了一组隔离开关,使配电装置的构架及占地面积、投资费用都相应增加;同时由于配电装置的复杂,在改变运行方式倒闸操作时容易发生误操作,且不宜实现自动化;尤其当母线故障时,须短时切除较多的电源和线路,这对特别重要的大型发电厂和变电站是不允许的。
单母线分段接线:单母线分段接线就是将一段母线用断路器分为两段,它的优点是接线简单,投资省,操作方便;缺点是母线故障或检修时要造成部分回路停电。
双母线接线的保护使用
1、设置两套完整、独立的全线速动主保护;
2、两套主保护的交流电流、电压回路和直流电源彼此独立;
3、每一套主保护对全线路内发生的各种类型故障(包括单相接地、相间短路、两相接地、三相短路、非全相运行故障及转移故障等),均能无时限动作切除故障;
4、每套主保护应有独立选相功能,实现分相跳闸和三相跳闸;
5、断路器有两组跳闸线圈,每套主保护分别起动一组跳闸线圈;
6、两套主保护分别使用独立的远方信号传输设备;
7、旁路断路器和兼作旁路的母联断路器或分段断路器上,应装设可代替线路保护的保护;在旁路断路器代替线路断路器期间,如必须保持线路纵联保护运行,可将该线路的一套纵联保护切换到旁路断路器上,或者采用其他措施,使纵联保护继续运行;母线或母线分段断路器上,可装设相电流或零序电流保护,作为母线充电合闸的保护,应装设能快速有选择地切除故障的母线保护,每组母线宜装设两套母线保护;对于双母线并联运行的发电厂或变电所,当线路保护在某些情况下可能失去选择性时,母线保护应保证先跳开母联断路器,但不能影响系统稳定运行。
8、为防止误动作,应增设简单可靠的闭锁装置
(1个半断路器接线的母线保护除外);
9、母线保护动作后,(1个半断路器接线除外)对不带分支的线路,应采取措施,促使对侧全线速动保护跳闸;
10、应采取措施,减少外部短路产生的不平衡电流的影响,并装设电流回路的断线闭锁装置;
11、在一组母线或某一段母线充电合闸时,应能快速而有选择地断开有故障的母线。在母线倒闸操作时,必须快速切除母线上的故障;同时又能保证外部故障时不误动作;
12、双母线情况下,母线保护动作时,应闭锁可能误动的横联保护;
若保护采用专用收发信机,其中至少有一个通道完全独立,另一个可与通信复用。采用光缆时,两组光钎分别独立;
13、应装设能快速有选择地切除故障的母线保护,每组母线宜装设两套母线保护;对于双母线并联运行的发电厂或变电所,当线路保护在某些情况下可能失去选择性时,母线保护应保证先跳开母联断路器,但不能影响系统稳定运行;
14、为防止误动作,母线保护应增设简单可靠的闭锁装置(1个半断路器接线的母线保护除外);
15、母线保护动作后,(1个半断路器接线除外)对不带分支的线路,应采取措施,促使对侧全线速动保护跳闸;
16、应采取措施,减少外部短路产生的不平衡电流的影响,并装设电流回路的断线闭锁装置。
多角形接线
多角形接线就是将断路器和隔离开关相互连接,且每一台断路器两侧都有隔离开关,由隔离开关之间送出回路。多角形接线所用设备少,投资省,运行的灵活性和可靠性较好。正常情况下为双重连接,任何一台断路器检修都不影响送电,由于没有母线,在连接的任一部分故障时,对电网的运行影响都较小。其最主要的缺点是回路数受到限制,因为当环形接线中有一台断路器检修时就要开环运行,此时当其它回路发生故障就要造成两个回路停电,扩大了故障停电范围,且开环运行的时间愈长,这一缺点就愈大。环中的断路器数量越多,开环检修的机会就越大,所一般只采四角(边)形接线和五角形接线,同时为了可靠性,线路和变压器采用对角连接原则。四边形的保护接线比较复杂,一、二次回路倒换操作较多。
多角形接线保护的使用
在220~500kV电力网中,以及110kV电力网的个别重要部分,可按下列规定装设断路器失灵保护:
1、线路保护采用近后备方式,对220~500kV分相操作的断路器,可只考虑断路器单相拒动的情况;
2、线路保护采用远后备方式,如果由其他线路或变压器的后备保护切除故障将扩大停电范围(例如采用多角形接线,双母线或分段单母线等时),并引起严重后果时。
3、1个半断路器接线方式的断路器失灵保护中,反映断路器动作状态的相电流判别元件宜分别检查每台断路器的电流,以判别那台断路器拒动。当一串中的中间断路器拒动时,则应采取使对侧断路器跳闸的措施,并闭锁重合闸。多角形接线方式的断路器,可按上述原则处理。







