林兴雨,男,22岁,中共党员,信阳农林学院农学院植物保护专业2017级学生,曾荣获国家励志奖学金、信阳农林学院最美大学生、全国植物保护大赛团体优秀奖等称号。本科期间他先后发表了5篇学术论文,其中SCI论文1篇,申请国家专利3项,在第二届全国植物保护大赛做学术报告1次。2021年,他凭借优异的成绩,考取了河南农业大学植物保护学院资源利用与植物保护专业的硕士研究生,将继续开启新的学术征程。

“这是我们养虫实验室研究和观察的灰茶尺蠖,它是茶园最主要的害虫”,身穿白色衬衫、有些腼腆的瘦高个男孩轻车熟路地拉开一个养虫实验区纱窗的拉链,他左手从纱窗里拿出实验盒,右手比划着,向我们介绍他在养虫实验室最亲密的“伙伴”。这个对分布在实验室每个区域的昆虫都了如指掌的男孩就是前不久被学校推介的“出彩河南人”第四届最美大学生林兴雨。
“我想学习更多农业方面的专业知识”“当时我的第一志愿,就填报了信阳农林学院农学院植物保护专业,学习农学是我从小就有的想法。”“我是农村出来的孩子,父母都是下地种田的农民。小时候,家里人常常会为小麦生病而发愁,因为一年小麦的收成就是全家人生活的依靠。”和很多人一样,成长环境为林兴雨专业的选择埋下了梦想的种子。“当时我的家乡安阳徐家沟的农业技术是很落后的,农民们还在用驴耕地这样传统的方式来进行作业。”回忆起学农的初衷,他对以往家乡务农的场景依然历历在目。
“从那时起,我就在思考,怎么防治病虫害呢?怎么让父母衣食无忧呢?我想学习更多农业方面的专业知识。”
到了高中,林兴雨学农的想法就更加强烈,他开始结合学到的一些农学知识进行简单的农业研究。当时为了解决他所在乡村面临的小麦蚜虫严重、农药使用不规范、棉花产量较低等农业生产问题,林兴雨自己还在家后边找了一块空地,并根据书中的相关内容制定试验方案来探索提高棉花产量,从网络上搜索农药相关方面的知识去制作生物农药,来防治小麦蚜虫。
“见到了成效后,我开心极了。”林兴雨想起自己第一次尝试做农学研究时的感受,声音里透着兴奋。
“那时的我,逐渐坚定了目标,我要到大学学习农学,改善家乡的农业生产问题,让我的乡亲邻里年年都能够尝到丰收的喜悦!”林兴雨回望自己在信阳农林学院养虫实验室和昆虫“打交道”的四年,他说自己当时的选择是正确的。
“我的大部分时间都‘泡’在养虫实验室里”“大学四年,除了上课,我的大部分时间都‘泡’在养虫实验室里”,林兴雨笑着谈起自己和昆虫们朝夕相处的日子,“有时候吃、住也在实验室,实验室以外的其他地方,我哪都不想去。”
“林兴雨能耐得住寂寞,守得住孤独,他全身心都扑在昆虫研究上,是块搞科研的好材料,”农学院尹健院长谈到林兴雨在科研上的专注时满是感慨,“还记得有一年夏天,我带着他到浉河边沙田里找昆虫,当时地表温度有50多度,我自己都有点招架不住,但这个孩子全程没有叫过一句苦,没有喊过一声累。”
林兴雨带着兴趣去做科研,也在科研中有所收获。在林兴雨看来,让大多数人“头皮发麻”的养虫室,则是他安心做科研的乐园,在养虫室观察和研究昆虫是最让他快乐的时光。在2017年12月,他在实验中成功解决了灰茶尺蠖雌雄识别配对难题。
灰茶尺蠖又名拱拱虫、吊丝虫,属鳞翅目尺蛾科,是茶树食叶性害虫之一。发生严重时,将茶树新梢、老叶吃成光秃,仅留秃枝,状如火烧,对茶叶生产影响极大。“我们进行灰茶尺蠖雌雄识别配对实验,其实是为了更好地了解害虫的生物特性,并在此基础上找到控制害虫的方法,保障茶叶的生产安全。”林兴雨说在他之前,还没有人把灰茶尺蠖雌雄识别出来。
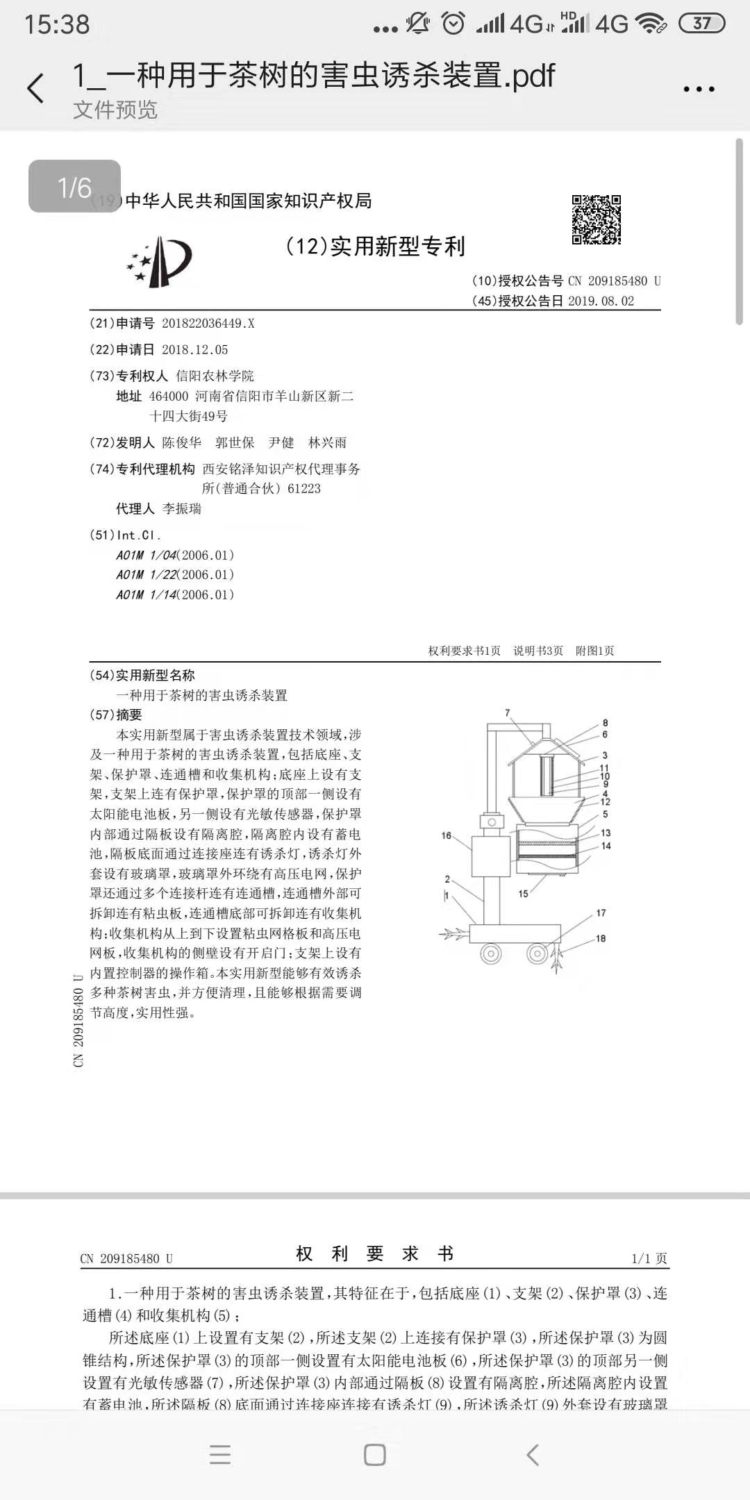
2018年7月,林兴雨成功完成了灰茶尺蠖替代饲料饲养的问题,同年,他申请了发明专利“一种茶园害虫灰茶尺蠖人工饲料制备方法”“一种灰茶尺蠖的饲养方法”和实用新型专利“一种用于茶树的害虫诱杀装置”等。这些科研成果无疑给茶树病虫害防治作出一定贡献。
2019年,他以第一作者在《南方农业》期刊上发表“黑水虻处理变质水果研究探讨”论文。2020年,他以第一作者在《河南科技报》发表“安阳市西部农村农作物种植概况及小麦蚜虫预防建议”文章,以第一作者在《天津农业科学》期刊发表“钩臀蚁蛉幼虫触角和鄂管的扫描电镜观察”论文,并以第一作者在《信阳农林学院学报》上发表“钩臀蚁蛉幼虫体征及筑穴习性研究”论文。
在这四年里,林兴雨发表过学术论文,也申请过国家发明专利,他曾在炎炎夏日跟随老师去茶园调查病虫害,为茶农讲解防治措施,也曾在冰天雪地间多次回到家乡调查当地病虫害,帮助父老乡亲鉴定病虫害并制定防治措施。回看大学生涯的这些经历,林兴雨坦言一切都离不开老师们对他关心和帮助。
“这一路走来,多亏了老师们对我的帮助和指引”“如果当时没有我的辅导员陈俊华老师的推荐,我也不会到养虫实验室里来,也不会把在养虫室中对昆虫的观察和研究转化成一篇篇学术论文。”在科研的道路上,林兴雨的引路人是他的辅导员陈俊华老师。大一刚开学,作为新生辅导员的陈俊华刚刚接手养虫室的工作,急需一个辅助她管理实验室工作的学生。“在新生班会上听了林兴雨的自我介绍,我觉得他是一个很踏实的孩子,能担当起这个‘重担’,所以我就推荐他进了养虫实验室”,陈俊华谈起林兴雨时一直咧开着嘴笑。“现在来看,我的决定并没有错!”
“不仅在学业上,在生活中陈老师对我也格外上心。因为我性格比较内向,不善与人交流,所以老师经常会在生活和交际方面找我谈心,给我做思政工作。”陈俊华老师的良苦用心,让林兴雨感受到了母亲般的关怀和温暖。
“在学术造诣方面,对我帮助最大的就是我们学院的尹健院长,当时我才刚上大一,之前从没接触过像学术论文这样专业的东西。尹院长知道了我的难处后,就把我叫到他的办公室,给我耐心地讲解了最近几年的研究现状和许多有关学术论文写作方面的经验,还给我发了一些核心文献让我学习,这些都为我之后的研究方向奠定了坚实的基础。”
“这一路走来,多亏了老师们对我的帮助和指引,比如中国农业大学的博士潘鹏亮老师、中国农科院的博士张方梅老师,还有好多农学院的老师都给过我指导。”林兴雨细数信阳农林学院的教师们在自己科研道路上的帮助时满是感激,“每次我向他们请教一些农学专业相关的问题时,他们都会耐心地给我讲解,我也因此受益良多。”
今年,林兴雨凭借优异的成绩,考取了河南农业大学植物保护学院资源利用与植物保护专业的硕士研究生,面对即将开启的新学术征程,他专门提到了袁隆平爷爷曾说过的一句话:“我觉得,人就像一粒种子。要做一粒好种子,身体、精神、情感都要健康。种子健康了,我们每个人的事业才能根深叶茂,枝粗果硕。”
“我也会继续保持对科研的初心和热爱,作为农民的儿子,我要练就强农兴农的本领,为乡村振兴做出自己的贡献!
作为信阳农林学院的学子,林兴雨一心向农,立足昆虫研究,辛勤耕耘取得的硕果颇丰,在解码昆虫奥秘中大放异彩;他不忘初心,充分发挥专业优势,始终怀有服务“三农”的理想信念,致力于家乡农村农业发展;他爱党爱国,心有家国情怀,以爱国爱民之情为力量源泉,切实担负起强农兴农的时代责任,在投身祖国乡村振兴建设中绽放青春光彩。(王雅楠)

















